Predictive Blasting™ Software

I-Blast Solutions

The most versatile simulation and optimization software for blasting engineers. Over 20 years of R&D in physics-based models, from blast design to digital twin.

Product Lineup

Choose your edition

From blast design to advanced 3D digital twin simulation — each tier unlocks more capabilities for your operation.

I-Blast DE

Design Express

The foundation for digitizing your blasting process. CAD-based bench & hole layout, drill pattern creation, charge design, import holes & deviations, point cloud & satellite imagery, overlap analysis, and manual fragmentation measurement.

I-Blast EVO / EVO+

Evolution / EVO+

The all-in-one solution for blasting engineers. Blast design, simulation, seismic analysis, fragmentation measurement, energy distribution, MWD integration, and comprehensive reporting.

I-Blast ULT

Ultimate

Advanced 3D simulation and optimization with Blast Digital Twins. Full 4D voxel simulation, sequence optimization, deconvolution, multi-signature hole analysis, and 3D fragmentation modeling.

I-Blast Dashboard

Dashboard

Un portail web qui centralise tous les KPI de vos plans de tir. Suivi de fragmentation, vibration, coûts, consommation d’explosifs et performance opérationnelle — accessibles à votre management en temps réel depuis n’importe quel navigateur.

Design Advanced Design Importation Viewing & 3D Analysis Simulations Digital Twin Measures Audits Export Dashboard
Core Module

Blast Design

Holes

  • Create easily
  • Import from Excel, .csv, .txt files, GPS coordinates
  • CAD tools for modification, displacement, etc.
Drill holes 2D plan Drill holes 3D view

Charges

  • Create your templates
  • Use smart loading settings based on quantities, heights, fixed or variable parts
  • Direct application to the holes to save time
  • Fully customizable database of explosive products
Charge loading form Charges 3D view

Initiation

  • Perform any initiation sequence in a few clicks
  • Compatible with electric, non-electric and electronic detonators
  • Automatic initiation module for electronic detonators according to the cast direction
Initiation sequence plan

Timing

  • 2D and 3D viewer
  • 2D sequence color coded for an intuitive and fast timing analysis
2D Timing view 3D Timing view

Complete CAD tools for blast engineering

Design your entire blast pattern from scratch or import existing data. Create holes, define charges with smart loading templates, set up initiation sequences compatible with electric, non-electric, and electronic detonators.

  • Create, import and modify drill holes with full CAD tools
  • Smart charge loading based on quantities, heights, and zones
  • Initiation sequence design with color-coded 2D/3D viewer
  • Free face definition, contours, and geology layers
  • Import from Excel, CSV, GPS coordinates, IREDES, DXF
  • Fully customizable explosive products database
DE EVO ULT
EVO • Clouds+Profiles Module

Advanced Design

Automatic Hole Positioning

  • Position optimized first row according to bench profiles
  • Use your own burden settings
  • Automatic positioning of the following rows
Automatic hole positioning with bench profile

Automatic Loading of Holes

  • Obtain automatically hole loading according to desired charge per delay and/or vibration limit levels
Automatic hole loading dialog Smart loading with charge detail

Automatic Calculation of Critical Bench Profiles

  • Get critical 3D profiles from a bench points cloud
  • Drill angle adjustment
  • 2D profiles also available from a bench points cloud
Critical bench profiles with inspector

Optimization of the Initiation Sequence

  • Use advanced signature hole module to automatically obtain the best timing between holes and rows to minimize vibration levels
  • Use as optimization criteria: PPV, Frequency, or a combination of the two
Signature hole analysis PPV optimization inter hole delay

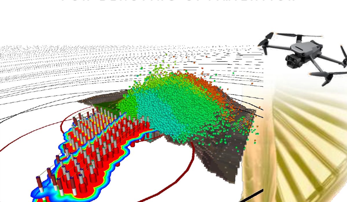
Automation powered by point clouds and terrain data

Leverage 3D point clouds from drones, LiDAR, or satellites to automate positioning, loading, and profiling. The system adapts your blast design to actual bench geometry for optimized burden and spacing.

  • Automatic first-row positioning optimized to bench profiles
  • Automatic hole loading based on charge per delay and vibration limits
  • Critical 3D bench profiles from point clouds with drill angle adjustment
  • Initiation sequence optimization (PPV, frequency, or combined)
  • Terrain adaptation, free face alignment, and orientation tools
EVO — Clouds+Profiles ULT — Optimization
Data Integration

Importation

Profiles

  • Create theoretical profiles
  • Import from Excel or .csv or .txt files
  • Import from the 2D laser profilers (Carlson, Coda, TruePulse, MDL, LYNX...)
Profile import interface Profile visualization

Hole Deviations

  • Import native format files from your measurement systems (Bore Track, DeviaLim...)
  • Compatible with IREDES format
Hole deviation display Hole deviation detail

Drill Logs (MWD)

  • Import drilling parameters
  • Obtain an equivalent compressive strength to adjust your charges
MWD drilling parameters MWD UCS mapping

Point Clouds

  • Import point clouds from the .laz, .las, .ply, .dxf, .dwg, .dbs, .csv format
  • Download surface area from Google Maps
  • Model your benches, your muckpiles or your sites
Point cloud model Point cloud detail

Connect all your field data in one place

Import profiles, hole deviations, drill logs (MWD), point clouds, seismic recordings, and background maps. Compatible with all major formats and measurement systems used in the blasting industry.

  • Profiles from Excel, CSV, or 2D laser profilers (Carlson, Coda, TruePulse, MDL, LYNX...)
  • Hole deviations from Bore Track, DeviaLim, IREDES format
  • MWD drilling parameters with UCS mapping
  • Point clouds (.ply, .csv) and satellite surface downloads
  • Seismic data from IDETEC, Instantel, NOMIS, Vibracord, White, ZTEX, Syscom...
EVO MWD Module
Visualization

Viewing & 3D

3D Visualization

  • Visualize in 3D your blast plan as well as all associated data
  • Points cloud, zones, buildings
  • Seismic waves, energy distribution, etc.
3D blast visualization

Energy Distribution

  • Visualize energy distribution in 3D cross-sections
  • Analyze charge concentration per cubic meter
  • Optimize your blast pattern based on energy mapping
Energy distribution 3D view Energy distribution cross-section

Multiple Blast Display

  • Visualize the relative position of blasts
  • Make the synthesis of your monthly, annual blasts, benches, levels, etc. in 2D as in 3D
Multiple blast display Multiple blast 3D view

Use a Web API Background

  • Download automatically a background from Map API
  • Locate easily your critical vibration points
  • Visualize the impact of seismic waves directly on the background
Web API background map Background image selector

Automatic Report

  • Easily print professional quality documents containing all the information of your blasting crew or client
  • Also print the simulations justifying your technical choices
Automatic report generation Report detail

Immersive 3D visualization of your blast site

Visualize your blast plan in full 3D with point clouds, zones, seismic wave propagation, and energy distribution overlays. Use Web API backgrounds to locate critical vibration points directly on real maps.

  • Web API background maps for site contextualization
  • Full 3D visualization with point clouds and simulation overlays
  • Multiple blast display for monthly, annual, and level synthesis
  • Automatic professional report generation
  • Multi-view interface for complex underground projects
STD EVO — Underground
EVO • Analysis & Seismic Modules

Analysis

Isolines of Initiation Time

  • Draw the iso-time lines with the desired interval
  • Visualize the cast direction of your blast
Isolines of initiation time Isolines detail

Overlaps

  • Visualize the charges that detonate in the same time window
  • Analyze the maximum explosive quantity per time window
Overlap analysis

Scaled Distance Law

  • Calculate automatically K and Alpha coefficients of the site scaled distance law
  • Adjustable confidence interval
Scaled distance law Scaled distance coefficients

Seismic

  • Analyze your seismic signals and perform all kinds of analysis
  • Filtering, compliance standards
  • Rotations, transfer functions (ULT)
  • And more...
Seismic analysis Seismic signal detail

Deep analytics for every aspect of your blast

Analyze initiation timing with iso-time lines, visualize charge overlaps, compute scaled distance laws with automatic K and Alpha calculation, and perform comprehensive seismic signal analysis including filtering, compliance standards, and frequency analysis.

  • Isolines of initiation time with cast direction visualization
  • Overlap analysis by charge count and by kg
  • Scaled distance law with automatic K, Alpha coefficients
  • Seismic signal filtering, FFT, compliance, rotation, H/V spectral ratio
  • Signature hole analysis (far field and near field)
  • Cut-off risk analysis for shock tube systems
EVO — Seismic Standard ULT — Advanced Seismic EVO — Analysis
EVOULT • Multiple Modules

Simulations

Fragmentation

  • Simulation of fragmentation for one hole
  • Simulation of fragmentation for the whole blast
Fragmentation simulation Fragmentation analysis

Vibration

  • Scaled Distance Model
  • PPV at any point using signature hole method: in far field and in near field
Vibration simulation Scaled distance model

Flyrock

  • Simulation for one hole
  • Simulation of the first row

Airblast

  • Simulation for one hole
  • Simulation for the blast
Airblast simulation

Energy Distribution

  • Calculate the energy distribution of the blast: in Kg/m3 or J/m3
  • In 2D or 3D
  • In horizontal or vertical cross sections
Energy distribution simulation Energy distribution cross-section

2D Iso-Vibration Map

  • Calculate vibration impact using scaled distance method
  • Visualize iso-vibration zones with the help of a colored scale
2D iso-vibration scaled distance PPV on cloud points

3D Iso-Vibration Map

  • Calculate vibration impact using scaled distance method
  • Visualize the iso-vibration in 3D on clouds of points with the support of a colored scale
3D iso-vibration map

Muck Pile Shape for Multiple Rows

  • Simulate the cast and muckpile shape on a multiple rows blast considering timing between rows
Muckpile shape simulation Muckpile 2D shape

Physics-based predictive simulations

Simulate vibration propagation, fragmentation distribution, flyrock trajectories, airblast impact, and energy distribution — all based on calibrated physics models. The Ultimate edition adds full 4D voxel simulation and blast digital twins.

  • Vibration: PPV at any point using scaled distance or signature hole method
  • Fragmentation: single hole, full blast, and 3D voxel simulation
  • Flyrock: cast simulation for single hole and first row
  • Airblast: overpressure simulation per hole and full blast
  • Energy distribution in 2D/3D with adjustable time windows
  • 2D & 3D iso-vibration maps on point clouds
  • 4D realistic muckpile movement simulation (ULT)
Seismic Fragmentation Movement 2D Energy Airblast Voxel 4D
ULT • 4D Simulation

Digital Twin

Mouvement

  • Simulate realistic 4D rock mass movement during blasting
  • Visualize muckpile formation in real time

Dilution

  • Predict ore dilution and loss based on blast movement simulation
  • Optimize blast design to minimize mixing between ore and waste

Vibration

  • 4D vibration propagation simulation through rock mass
  • Predict PPV at any point in 3D space over time

Underground

  • 4D simulation adapted for underground blasting operations
  • Assess wall damage and confinement effects

Full 4D blast simulation with voxel technology

The Digital Twin module provides a complete 4D simulation of your blast using advanced voxel technology. Predict rock movement, ore dilution, vibration propagation and rock damage before firing — enabling data-driven blast optimization.

  • Realistic 4D muckpile movement simulation
  • Ore dilution and loss prediction
  • 3D vibration propagation over time
  • Underground blasting simulation with confinement effects
ULT — Voxel 4D
EVO • Fragmentation & Seismic Modules

Field Measures

Fragmentation from a Simple Image

  • Measure the fragmentation distribution from an image that contains a scale
  • Automatically detect fragments for quick measurement with AI support
  • Manually detect fragments for a more precise measurement
  • Combined automatic / manual analysis possible
Fragmentation auto AI Fragmentation manual

Fragmentation from an Orthophoto

  • Measure the fragmentation distribution from an orthophoto (using a drone)
  • Doesn't require a physical scale in the photo
  • Grid the area using a grid tool for a detail analysis
  • Automatically detect fragments for quick measurement with AI support
Fragmentation orthophoto

Seismic

  • Import seismic signals from a .csv or .txt file
  • From a native file: IDETEC, Instantel, NOMIS, Vibracord, White Seismology, ZTEX, Syscom
Seismic measures Seismic signal detail

Critical Burden

  • Burden Heat Map display
  • Thicknesses of burden is visualized by a colored scale on the bench points cloud
  • Custom colored scale available
Critical burden heat map

Capture and quantify real field data

Import seismic recordings from all major brands, measure fragmentation distribution from images or drone orthophotos with AI-powered detection, and generate critical burden heat maps from bench point clouds.

  • Seismic recording import from 10+ formats (IDETEC, Instantel, NOMIS...)
  • Fragmentation from simple images with AI-assisted detection (DNA-FragSize)
  • Fragmentation from drone orthophotos with grid analysis
  • Critical burden heat map from bench point clouds
  • Photogrammetry module for point cloud generation
Fragmentation Seismic Photogrammetry Clouds+Profiles
EVO • Analysis & GHG Modules

Audits & Reporting

Drilling

  • Analyze ground or bottom surface of holes
  • Automatically adjust drilling depth to obtain a flat floor
  • Automatically create ramps in one click
Drilling audit

Holes

  • Visualize in a table all holes with all attributes
  • Sort data according to your search criteria
  • Visualize selected holes graphically
  • Export to Excel for additional analysis
Holes audit table Holes audit detail

Loading

  • Overview of the blasting parameters, filter by selected holes
  • Number of holes, drilled depth, total charge, power factor
Loading audit Loading audit detail

Profiles

  • Visually analyze bench profiles comparing them to a minimum and a maximum burden
  • Easily control safety regarding possible flyrocks
Profiles audit Profiles audit detail

Costs

  • Visualize financial impacts of blast design
  • Drilling, explosives and accessories, workforce, engineering
Cost audit

Green House Gas Audit

  • Carry out a GHG analysis of the blast in order to measure its impact on the environment
  • Compare it with other blasts or other extraction solutions
GHG audit GHG audit detail

Compare Two Blasts

  • Compare the planned project with the executed one
  • Comparison items include: geometry, load, sequence
Compare two blasts Compare blasts detail

Comprehensive blast quality control

Audit every aspect of your blasting operations: drilling accuracy, hole attributes, loading compliance, bench profiles, and costs. Compare planned vs. executed blasts and measure your environmental impact with GHG analysis.

  • Drilling audit: ground surface analysis, depth adjustment, automatic ramps
  • Hole table with sorting, filtering, and Excel export
  • Bench profile analysis for flyrock safety assessment
  • Cost audit: drilling, explosives, workforce, engineering
  • Loading audit with parameter overview and power factor
  • Green House Gas (GHG) environmental impact analysis
  • Compare two blasts: geometry, load, and sequence
Analysis GHG STD
Data Output

Export & Connectivity

Drilling Pattern

  • Export drilling data directly to IREDES, VIST and TPL format
  • Smart drills compatible with this format can read it and ensure accurate and automated drilling
Drilling pattern export

Electronic Detonator

  • Export your start-up sequence directly with: DaveyTronic, Fametronic, HiTronic, IIDetex Electronic
Electronic detonator export Electronic detonator detail

Excel

  • All data displayed in tables are exportable to Excel, Word or XML files
  • Other data are directly exportable to text format (.txt)

DNA-Blast

  • Share your blast plans among I-Blast users
  • Click on a .dna file and import it directly to I-Blast or .xml open format
DNA-Blast format export DNA-Blast XML detail

Seamless data flow to your equipment and team

Export drilling patterns directly to IREDES, VIST, and TPL formats for smart drills. Share initiation sequences with DaveyTronic, Fametronic, HiTronic, and IIDetex electronic detonators. Share blast plans among I-Blast users with one click.

  • Export all data to Excel, Word, or XML
  • Drilling patterns in IREDES, VIST, TPL for automated drilling
  • Electronic detonator sequence export (DaveyTronic, Fametronic, HiTronic, IIDetex)
  • Share blast plans via .dna file format among I-Blast users
EVO MWD
Management Portal

I-Blast Dashboard

Global Overview

  • Consolidated view of all blast KPIs across your sites
  • Real-time dashboard accessible from any web browser

Fragmentation & Airblast KPIs

  • Track fragmentation distribution and airblast levels over time
  • Compare planned vs. measured results to optimize your designs
Fragmentation and airblast KPIs

Vibration Monitoring

  • Monitor PPV and frequency compliance across all monitoring stations
  • Automatic alerts and compliance reporting for regulatory standards
Vibration monitoring

MWD Analysis

  • Visualize Measurement While Drilling data from all your drilling fleet
  • Characterize rock mass variability to adapt charge loading and optimize fragmentation

All your blast KPIs in one web portal

I-Blast Dashboard centralizes all the KPIs of your blast plans on a single web portal. Your management team gets real-time visibility on fragmentation, vibration, costs, explosive consumption and operational performance — from any browser, anywhere.

  • Consolidated KPIs across all sites and blasts
  • Fragmentation, vibration and compliance tracking
  • Costs, explosive consumption and operational performance
  • Web-based access for management — no installation required
DASHBOARD WEB

5 good reasons to choose I-Blast

#1

Full Option

The most complete blasting software on the market. One tool for design, simulation, analysis, optimization, and reporting.

#2

Efficiency

Automate repetitive tasks. Smart loading, auto-positioning, and batch processing save hours of engineering time.

#3

Accuracy

Physics-based simulation models calibrated with real field data. Predict outcomes with confidence before the blast.

#4

Physics

20+ years of R&D in detonation physics, wave propagation, rock mechanics, and fragmentation modeling.

#5

3D

Immersive 3D visualization and 4D digital twin technology. See your blast before it happens.

Comparaison des fonctionnalités

Design Express couvre la conception de base. EVO offre la solution complète pour les ingénieurs de minage. EVO+ est une version d’EVO avec des jours de licence ULT inclus pour accéder ponctuellement aux fonctions avancées. L’édition Ultimate ajoute la simulation 3D avancée et les capacités d’optimisation.

Feature DE EVO ULT
Core Design & Data
Database (local or cloud based)
CAD (holes, loading, timing)
Advanced CAD module
Import holes, zones, deviations, MWD
Point cloud import & satellite download
Multi-view interface
Analysis
Overlap analysis & isolines
Scaled distance law
Scaled distance auto (K, Alpha)
Seismic analysis (filtering, FFT, compliance)
Seismic analysis (H/V, transfer functions)
Signature hole analysis (far field)
Signature hole analysis (near field)
Drilling, loading and costs audits
Simulation
PPV simulation (scaled distance)
PPV simulation (signature hole, far field)
PPV on cloud of points / near field / multi-signature
Fragmentation simulation (per hole)
3D Fragmentation simulation (whole blast)
Cast & airblast simulation
2D/3D energy distribution
4D energy distribution (adjustable time window)
4D realistic movement simulation
3D dilution simulation
Optimization (ULT exclusive)
Sequence optimization (PPV / frequency)
Signature hole deconvolution
P-wave velocity auto-calculation
MWD processing into UCS, 3D mapping
Field Measures
Fragmentation measurement (manual single image)
Fragmentation measurement (auto single image AI + orthophoto AI)
Photogrammetry
Seismic recording import (10+ formats)
Critical burden heat map
Special Modules
Underground (tunnel + ring blasting)
GHG environmental audit
Automatic report generation
Compare two blasts

Ready to optimize your blasting?

Contact our team for a personalized demonstration and discover how I-Blast can transform your operations.

Request a demo